滾珠絲杠升降臺故障分析及處理
滾珠絲杠升降臺是大型實驗裝置精密裝配和校準系統的重要功能單元,主要用于各種精密光學器件的運輸和升降,可靠性要求高。升降平臺的使用頻率較低,但其螺桿多次斷裂,嚴重影響了光學器件的可靠運輸和工程進度。為此,對該裝置進行了拆卸測試,通過結構分析和理論計算,準確定位了故障原因,并實施了改進的維修措施,解決了故障頻發的問題。
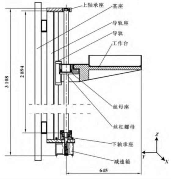
升降平臺的結構分析本升降平臺主要由底座、導軌座、導軌、絲杠螺母副、工作臺、減速器和電機組成。結構如圖所示。圖中z方向為重力方向,工作臺隨螺桿旋轉上下移動。起升機構的設計總行程為2780 mm,起升物體的最大重量為0.8t。
滾珠絲杠斷裂的可能原因有很多,主要分為三種:(1)質量問題:銳角肩角或變徑處較深刀痕引起的應力集中,或熱處理不符合標準,或材料內部缺陷引起的低應力脆性斷裂;(2)使用中的問題:螺桿在使用過程中受到較大的沖擊載荷,轉速過高或異物污染造成堵塞;(3)安裝問題:當絲杠、螺母、軸承座、動力軸的同軸度誤差或絲杠與導軌的平行度誤差比較大時,容易造成絲杠斷裂。
滾珠絲杠斷裂沒有明顯的材料缺陷,且連續發生多次斷裂,因質量問題導致失效的可能性較小。使用情況正常,排除使用問題。觀察斷口形貌,發現斷口外圓為細瓷,然后中間有許多環形光滑區,中心呈韌性斷口。因此,疑似斷裂屬于疲勞斷裂,可能是安裝不當造成的。
為了進一步分析斷裂原因,對裝置進行了拆卸,并對關鍵尺寸和重要零件的精度進行了檢測。檢測結果表明,導軌的直線度和平行度滿足精度要求,但軸承座安裝擋塊與減速器的同軸度誤差為0.3 mm。
由于減速器與滾珠絲杠之間采用直聯方式,軸承座與減速器擋塊之間的同軸度誤差會導致滾珠絲杠端部發生撓曲,進而產生彎曲應力。螺桿旋轉時,彎曲應力形成對稱的循環應力,當彎曲應力大于絲杠材料的疲勞極限時,絲杠的橫截面就會過早疲勞,可以看出,彎曲疲勞安全系數不足可能導致該截面過早疲勞破壞。定位失效是由于減速機中心與下軸承座不對中,導致螺桿“抱死”,長期使用后疲勞損壞。
從故障診斷結果可以看出,如果只更換絲杠,其受力狀態不變,仍然存在較大的斷裂風險。為此,作者提出了改進的維修方案。通過幾項措施,滾珠絲杠的應力得到了改善。
首先,重新安裝直線導軌副和滾珠絲杠副,提高相應的安裝精度;其次,修整下軸承座和減速器擋塊,減少同軸度誤差;最后,絲杠和減速器之間的連接改為聯軸器。
彈性聯軸器可以補償和緩沖,允許兩軸有一定的同軸度誤差,傳動精度和可靠性高。由于安裝空間和設備維護周期的限制,選擇了薄膜聯軸器,這種聯軸器具有承載能力大、適用范圍廣、使用壽命長、易于加工制造、無易損件、無需潤滑、易于維護、振動小、無噪音等優點,兩軸的相對位移由膜片的彈性變形來補償。



銀泰PMI滾珠絲桿-端塞型系列FDDC
銀泰PMI滾珠絲桿- FSIN(轉造級)
上銀HIWIN滾珠絲桿轉造級系列
Fabreeka空氣彈簧減震器PAL系列






掃一掃,關注我們
電話咨詢
產品中心
按需定制
關于慧騰