聯系慧騰
15821576595
電話:021-62416595
手機:15821576595
郵箱:honglp@huiteng2010.com
地址:上海市嘉定區南翔鎮緯五路66號一號樓
-
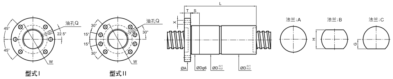
銀泰PMI滾珠絲桿-端塞型系列FSDC
高DN值:DN值最高可達220,000。
低噪音: 螺紋上平均準確的鋼珠節圓直徑(BCD),使得滾珠螺桿獲得穩定一致的預壓扭矩及降低噪音值。
使用高剛性、耐磨耗的強化塑膠材質之回流系統,使鋼珠運轉聲音保持低沉且柔順。全國服務熱線:158-2157-6595
對高導程滾珠螺桿來說,高剛性、低噪音以及溫升控制是十分重要的。
高DN值:DN值最高可達220,000。
低噪音: 螺紋上平均準確的鋼珠節圓直徑(BCD),使得滾珠螺桿獲得穩定一致的預壓扭矩及降低噪音值。
使用高剛性、耐磨耗的強化塑膠材質之回流系統,使鋼珠運轉聲音保持低沉且柔順。
節省空間:螺帽長度變短,外徑尺寸可減少20%~25%,總體積因此可以減少大約50%。
循環方式:回流路徑與導程角相切又與BCD相切,可有效改善其順暢度。
應用:CNC機床 / 精密專用機 / 高速機床電子生產設備 / 醫學設備
上?;垓v工業設備有限公司
——
上海慧騰工業設備有限公司是一家主營上銀HIWIN和銀泰PMI傳動元件的 供應商,19年專業從事滾珠絲桿和直線導軌經驗。公司是集倉儲、銷售、服務 為一體的企業。
公司主營產品包括:滾珠絲桿、直線導軌、不銹鋼導軌、交叉導軌、線性 模組。主要銷售品牌為臺灣上銀HIWIN和銀泰PMI.....
經驗豐富,靈活定制 經驗
○ 專注供應滾珠絲桿和直線導軌19年,已服務5000家企業
○ 導軌都可以根據客戶要求長度來加工切割
○ 絲桿都可以根據客戶圖紙按標準螺母來加工定制
超大庫存,交貨迅速 實力
○ 自有3000m²大型倉庫,庫存豐富
○ 按時交貨,滿足客戶用量需求
○ 全國范圍專屬物流發貨,便捷快速
采購:銀泰PMI滾珠絲桿-端塞型系列FSDC
- *聯系人:
- *手機:
- 公司名稱:
- 郵箱:
- *采購意向:
-
*驗證碼:










掃一掃,關注我們